Washers - Bushing, Shoulder

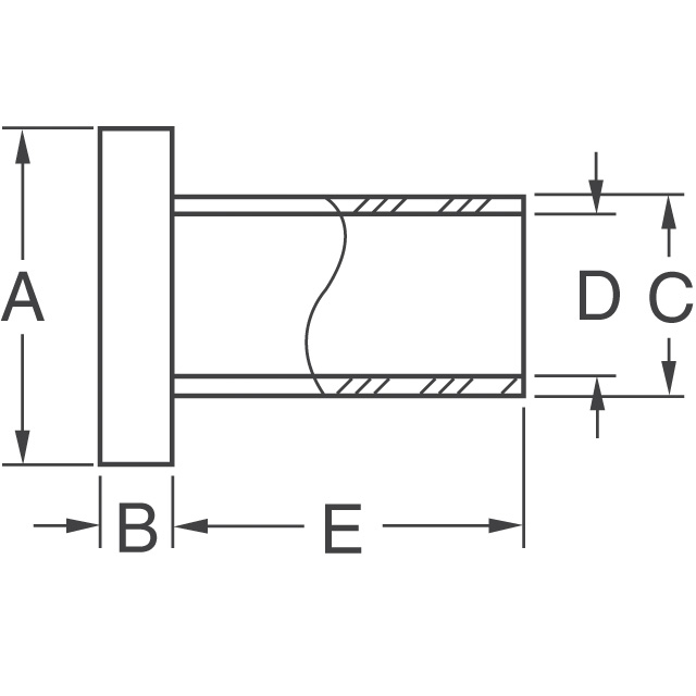
Washers and Bushings with a shoulder are a disc or round shaped object with two levels, the smaller of the two diameters is usually inserted into an opening. The characteristics are thread/screw/hole size, diameter/inside, diameter/outside, diameter/shoulder, thickness/overall, length/below head, and material. The materials are brass, fiber, nylon, polyphenylene sulfide, polyphenylene sulfide/glass filled, and thermoplastic.


Essentra Components MNI-HT# 4-12

WASHER SHOULDER #4 POLY SULFIDE

0.2

Essentra Components MNI-HT# 4- 8

WASHER SHOULDER #4 POLY SULFIDE

0.2

Essentra Components MNI5/16-24

WASHER SHOULDER 5/16 NYLON

0.2

Essentra Components MNI5/16-4

WASHER SHOULDER 5/16 NYLON

0.2

Essentra Components MNI5/16-2

WASHER SHOULDER 5/16 NYLON

0.2

Essentra Components MNI-M4-1.3

WASHER SHOULDER M4 NYLON

0.2

Essentra Components MNI#10-2

WASHER SHOULDER #10 NYLON

0.2

Essentra Components MNI#2-24

WASHER SHOULDER #2 NYLON

0.2